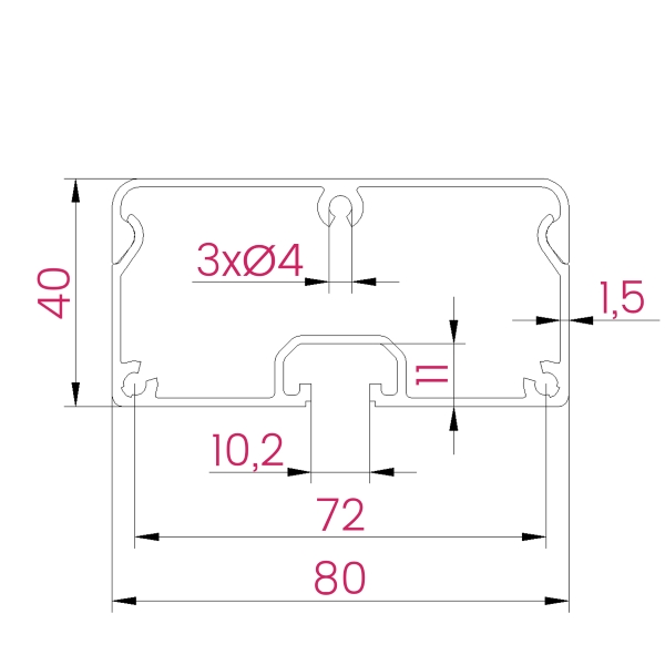
Os perfis de conduta são muito práticos na organização da mais variada cablagem. Podemos ainda recorrer ao perfil cantoneira AAG01604802 e utilizá-la como separador interno de cablagem.