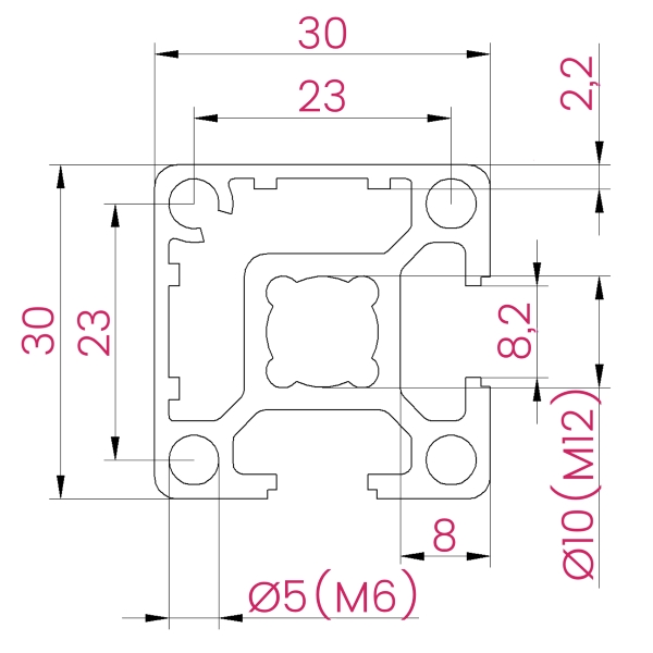
Description
| Code Referência |
Mass (kg/m) Massa |
Moment of inertia Ix (cm4) Momento de inércia |
Moment of inertia Iy (cm4) Momento de inércia |
Moment of resistance Wx (cm3) Momento resistente |
Moment of resistance Wy (cm3) Momento resistente |
|
|---|---|---|---|---|---|---|
| 30×30 2 adj. slots 30×30 2 rasgos adj. |
AST03003002A | 0,9 | 2,9 | 2,9 | 2,0 | 2,0 |












