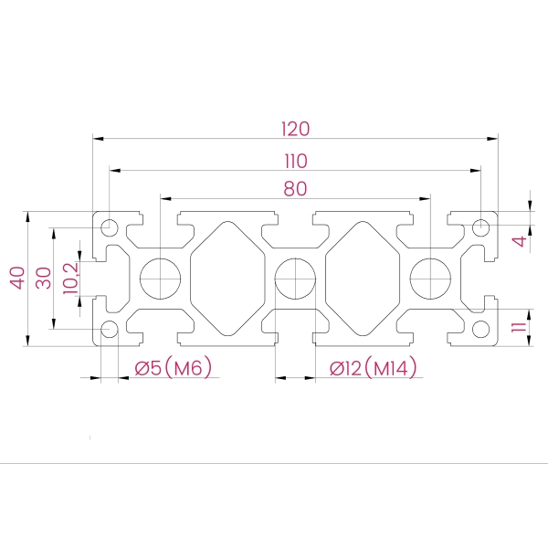
Descrição
| Code Referência |
Mass (kg/m) Massa |
Moment of inertia Ix (cm4) Momento de inércia |
Moment of inertia Iy (cm4) Momento de inércia |
Moment of resistance Wx (cm3) Momento resistente |
Moment of resistance Wy (cm3) Momento resistente |
|
|---|---|---|---|---|---|---|
| 40×120 8 slots heavy 40×120 8 rasgos reforçado |
AST04012008H | 5,2 | 33,0 | 255,3 | 16,5 | 42,6 |












