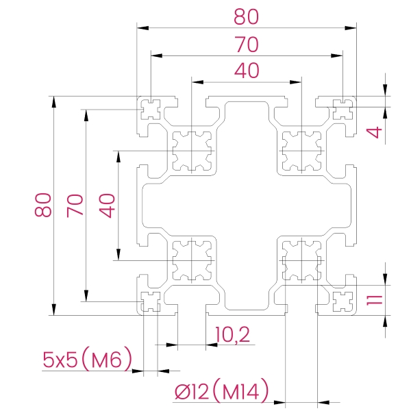
Descrição
| Code Referência |
Mass (kg/m) Massa |
Moment of inertia Ix (cm4) Momento de inércia |
Moment of inertia Iy (cm4) Momento de inércia |
Moment of resistance Wx (cm3) Momento resistente |
Moment of resistance Wy (cm3) Momento resistente |
|
|---|---|---|---|---|---|---|
| 80×80 8 slots 80×80 8 rasgos |
AST08008008 | 4,2 | 109,9 | 109,9 | 27,5 | 27,5 |












