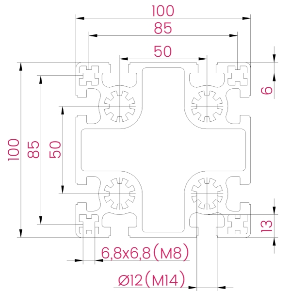
Descrição
| Code Referência |
Mass (kg/m) Massa |
Moment of inertia Ix (cm4) Momento de inércia |
Moment of inertia Iy (cm4) Momento de inércia |
Moment of resistance Wx (cm3) Momento resistente |
Moment of resistance Wy (cm3) Momento resistente |
|
|---|---|---|---|---|---|---|
| 100×100 8 slots 100×100 8 rasgos |
AST10010008 | 8,5 | 331,1 | 331,1 | 66,2 | 66,2 |


















